Elektronische Schaltung
In einem konkreten Schülerprojekt wurde von der Fa. Robert Bosch GmbH in Reutlingen eine Adapterplatine erstellt, die mit Sensoren sowie mit LEDs, Tastern, Schaltern, einem Spannungsteiler und einem Summer vorbestückt ist. Auf diese Platine löten die Schüler das Bluetooth-Modul auf, kontaktieren den Arduino über Steckerleisten und stellen die restliche Schaltung über Lötverbindungen her.
Dieser Ansatz war alleine deshalb nötig, weil die Sensorbausteine nur in SMD-Gehäusen verfügbar sind.
Die elektronische Schaltung lässt sich aber auch ohne eine solche Adapterplatine z.B. mit Freidrahtverbindungen herstellen. In diesem Fall werden SMD-Sensoren auf Adapterplatinen (sogenannte „Breakouts“) verwendet, um sie einfacher kontaktieren zu können. Im Foto ist ein solcher Schaltungsaufbau beispielhaft (ohne Sensoren) dargestellt.
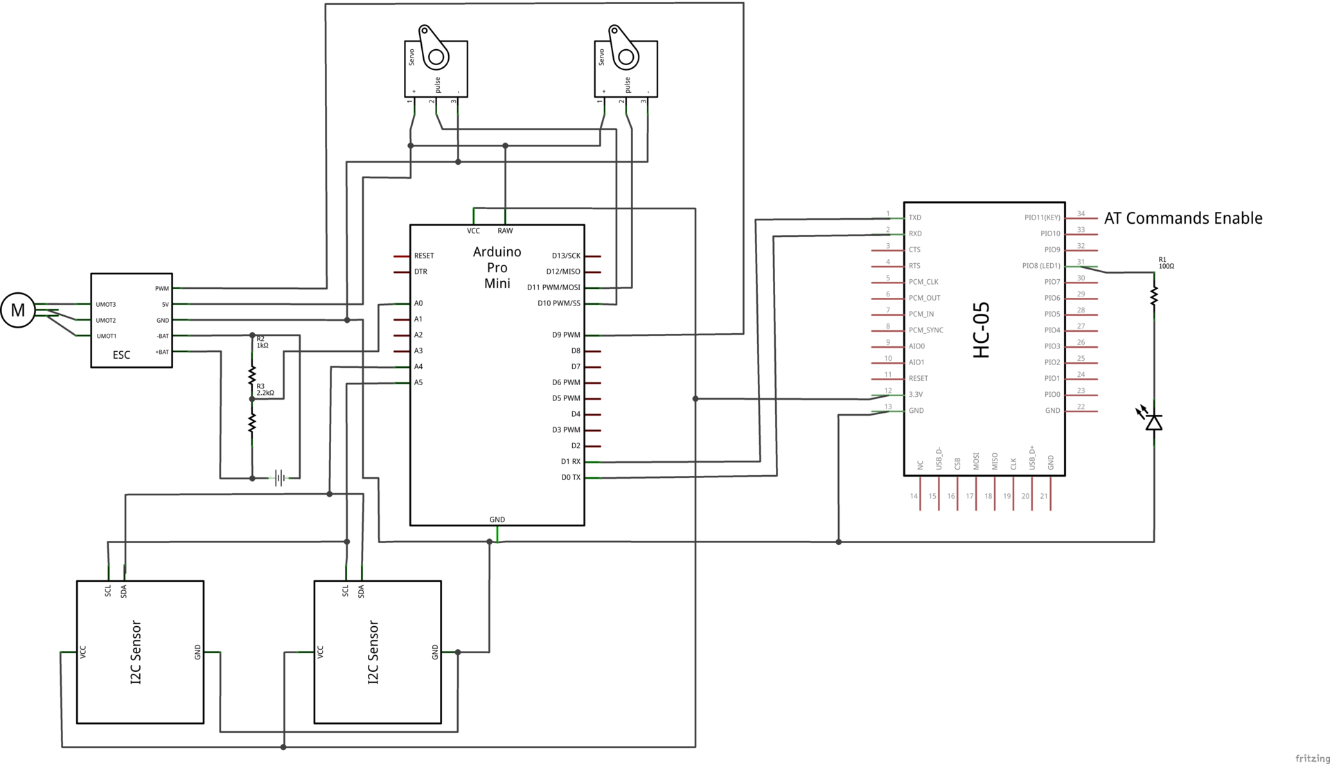
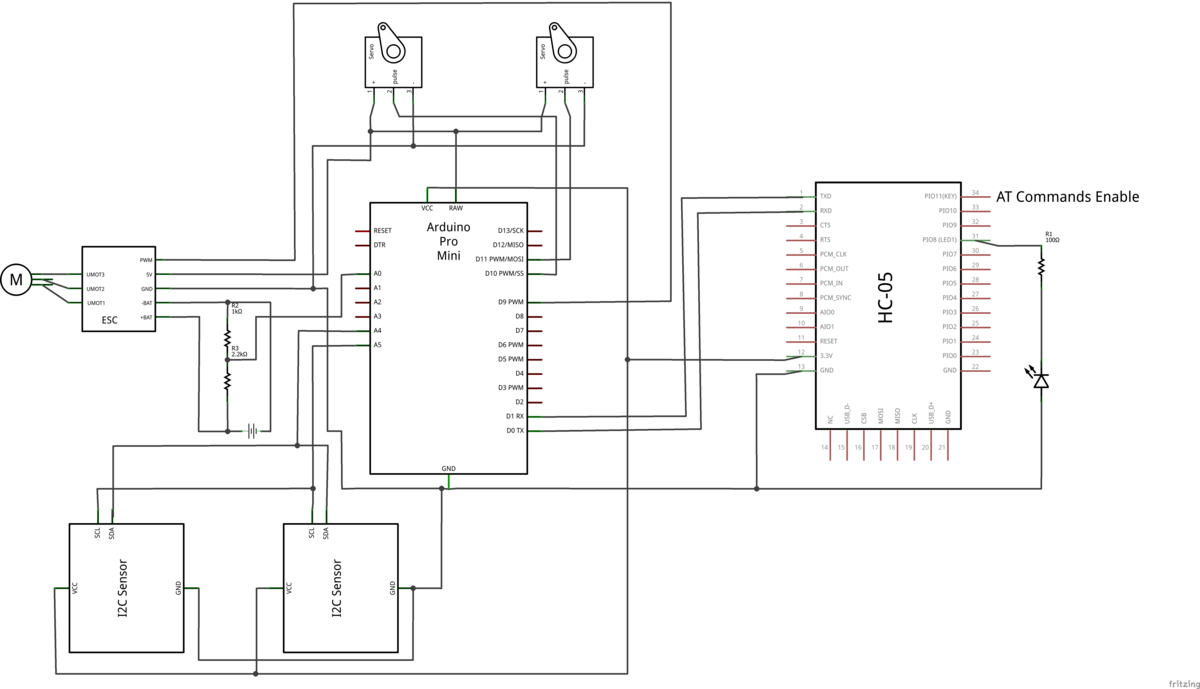
Der Verdrahtungsplan und der Schaltplan hierzu sind in den Abbildungen dargestellt. Hier wurde das HC-05 Bluetooth-Modul verwendet. Im Fall es BTM222-Moduls ändert sich die Pinbelegung etwas und eine externe Antenne kommt hinzu.







